1,935 物件入札可能!

愛媛県松山市北梅本町 牛渕団地前駅3分の公売物件
¥ 2,930,000円 土地 728m²

愛媛県松山市北梅本町 牛渕団地前駅3分の公売物件

不売になりました
2025年5月27日(火)

再出品情報があります

売却結果

落札価額(最高入札価額)
-円
入札件数
0
見積価額
2,930,000円
公売保証金
300,000円

インターネットによる期間競り売り () 112万円 値下げ

実施局署
高松 国税局
見積価額
2,930,000円
公売の方法
インターネットによる期間競り売り
公売公告番号
01号
公売保証金
300,000円
売却区分番号
高松局126-1
公売保証金の提供方法
現金等 納付保証 (オークションサイト業者)
参加申込期間
令和7年4月23日午後1時00分 から 令和7年5月7日午後5時00分
買受申込期間
令和7年5月19日午後1時00分 から 令和7年5月21日午後1時00分
買受申込の場所
KSI官公庁オークションサイト https://kankocho.jp/items/51811
公売保証金の納付期限
令和7年5月15日午後2時00分
最高価申込者の決定の日
令和7年5月23日午前10時00分
最高価申込者の決定の場所
高松国税局
買受代金納付期限
令和7年6月16日午後2時00分
売却決定の日時
令和7年6月13日午前10時00分
売却決定の場所
高松国税局
住居表示等
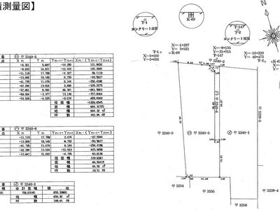
近隣の住居表示「愛媛県松山市北梅本町3240-7」付近
交通機関
伊予鉄道 横河原線 牛渕団地前駅 から北方へ道路距離で約400メートル
面積 (地積) 合計
728m² (220.2坪)
主たる地目
雑種地

詳細情報 (個別)

財産番号
1
種別
土地
所在地 (登記簿表示内容)
愛媛県松山市北梅本町甲3240番5
地目 (登記簿表示内容)
雑種地
面積 (登記簿表示内容)
664m² (200.9坪)
地盤・地勢
北側間口:約17メートル
奥行:約48メートル
形状:略長方形の中間画地で、平坦です。
接道状況
北側:幅員約4メートルの舗装農道 (建築基準法上の道路に該当) に等高に接面しています。
使用状況
雑草繁茂
管理状況
上水道:有 下水道:無 都市ガス:無

詳細情報 (個別)

財産番号
2
種別
土地
所在地 (登記簿表示内容)
愛媛県松山市北梅本町甲3240番6
地目 (登記簿表示内容)
雑種地
面積 (登記簿表示内容)
64m² (19.4坪)

詳細情報 (共通)

公法上の規制
市街化調整区域
埋蔵文化財包蔵地 (播磨塚古墳群) に該当しています。
特記事項
1. 財産番号1及び2は、国税徴収法第89条第3項の規定に基づき一括換価の方法により公売を行います。
なお、見積価額の公売財産ごとの内訳は次のとおりです。
公売財産1:2,670,000円
公売財産2:260,000円
2. 公売は現況有姿により行うものであるため、次の一般的事項を十分ご理解の上、公売へご参加ください。
(1) 公売財産について、あらかじめその現況及び関係公簿等を確認してください。
(2) 公売財産の種類又は品質に関する不適合があっても、執行機関 (国) は、担保責任を負いません。
(3) 執行機関 (国) は、公売財産の引渡しの義務を負わないため、使用者又は占有者に対して明渡しを求める場合や不動産内にある動産の処理などはすべて買受人の責任において行うことになります。
(4) 土地の境界については隣接地所有者と協議してください。
(5) 土壌汚染、地中埋設物、アスベストなどに関する専門的な調査は行っておりません。
3. 公売を中止する場合がありますので買受申込前に公売中止の有無をご確認ください。
その他事項
公売財産の売却決定は、最高価申込者に係る買受申込価額をもって行います。

公売財産に関するお問い合せ先

お問い合せ先
高松 国税局
お問い合せの際には、開札日(令和7年5月23日)と売却区分番号(高松局126-1)をお申出の上ご照会ください。
担当部署名
特別整理第一部門
郵便番号
760-0018
所在地
高松市天神前2番10号高松国税総合庁舎
電話番号
087-831-3111
内線
492
電話受付時間
平日午前9時から午後5時まで

過去の出品

1回目
762万円 (2023.11.21終了)
2回目
557万円 (2024.07.03不売)
3回目
405万円 (2024.12.07不売)
出典:国税庁ホームページ - (高松局126-1 愛媛県松山市) 土地詳細 | 公売情報

最寄り駅・周辺地図

愛媛県松山市 土地の販売価格

取引平均-

近隣の土地落札価格

入札数{{ point.bids }}入札数?{{ point.base }}{{ point.sold }}{{ point.sqm.toLocaleString() }}m²築{{ point.age }}年
周辺には土地の落札履歴がありません。地図をドラッグして範囲や縮尺を変えてお試しください